SN1004X

SN1004X
SN1004X

僅絲杠螺母, SN 樣式, Thread Mount, 1.000 英寸 X 0.250 英寸, 無預加載, RH, 乙縮醛, 400 磅力 設計負載


  • 我們的標準SN螺母在過去20年里得到了成功應用。
  • 可用尺寸從3/16”到1-1/2”,帶或不帶安裝法蘭。(法蘭單獨出售)
  • 復合螺母材料具有卓越的可潤滑性和低磨損
  • 可選用定制設計服務和快速原型

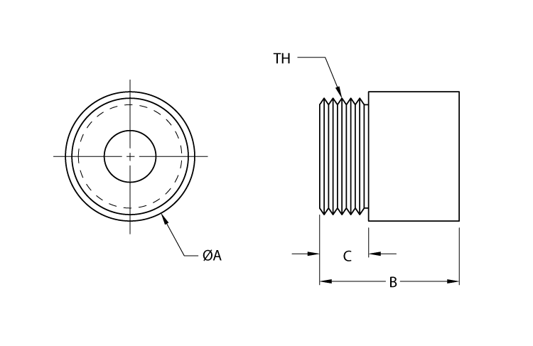
Dimensions

dimensions
尺寸價值
[A] Diameter1.5 英寸
[B]1.5 英寸
[C]0.5 英寸
[TH]1 3/8-16 
絲杠直徑,標稱1 英寸
軸每轉行程0.25 英寸
最大,側隙1.5 英寸
最大,側隙1.5 英寸

Specifications

Specifications價值
Temperature Max180 °F
材質乙縮醛 
螺紋旋向RH 
效率%47 
預加載無預加載 
阻力矩Free Wheeling 

Performance

Performance價值
Load, Static, Maximum2000 磅力
設計負載400 磅力

Get Quote

*Please fill out the information below so we can best assist you: